Category
- Máy Phay – Trung Tâm CNC
- Máy Tiện – CNC
- Máy mài phẳng – mài trục tròn
- Máy Cắt Dây – Máy Xung Tia Lửa Điện EDM
- Máy Cắt Dây – Máy Xung Tia Lửa Điện EDM JSEDM
- Máy Cắt Dây – Máy Xung Điện EDM CHMER
- Máy Cắt Dây CHMER AW Series
- Máy Cắt Dây CHMER G Series
- Máy Cắt Dây CHMER GAX Series
- Máy Cắt Dây CHMER GV Series
- Máy Cắt Dây CHMER GX Series
- Máy Cắt Dây CHMER NV Series
- Máy Cắt Dây CHMER RQ Series
- Máy Cắt Dây CHMER RV Series
- Máy Cắt Dây CHMER RX Series
- Máy Cắt Dây CHMER UA Series
- Máy Xung Tia Lửa Điện CNC Chmer
- Máy Dập – Máy Đột Dập
- Máy Ép Nhựa Victor
- Máy cưa
- Máy Bào – Máy Xọc
- Máy Uốn Ống – Cắt Ống Tự Động
- Máy Khoan Cần _ Khoan Bàn _ Taro Tự Động
- Máy mài dụng cụ
- Máy cán ren
- Máy đánh bóng kim loại
- Dịch Vụ – Sửa Chữa – Bảo Trì Máy
- Phụ Kiện – Dụng cụ cơ khí
- Thiết Bị – Dụng Cụ Đo Lường
- Thiết Bị Đào Tạo – Dạy Nghề
Máy ép nhựa Victor
Máy cưa Eversing
Máy Tán Rive Khí Nén LF-158
Máy Tán Rive Khí Nén LF-158
Model: LF-158
Xuất xứ: Chang Lian Fa Đài Loan
Tư Vấn: 0936.678.598
Địa Chỉ: Thataco
Catalog: Download
Máy Tán Rive Khí Nén LF-158 Do hãng Chang Lian Fa Đài Loan sản xuất. Thân máy làm bằng thép nguyên tấm, kết cấu chắc chắn, nếu độ sâu của họng chưa đủ sâu có thể cơi nới thêm
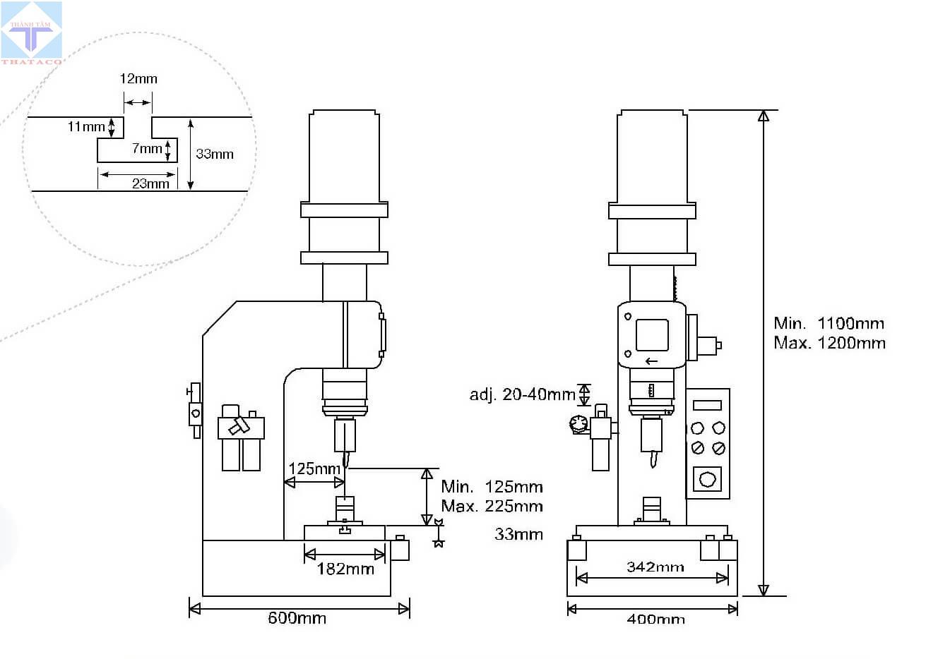
Thông số Máy Tán Rive Khí Nén LF-158:
| Model | LF-158 |
|---|---|
| Lực tán lớn nhất kgf | 1170 |
| Hành trình đầu tán mm | 20-40 |
| Khả năng tán đinh đặc mm | 2-7 |
| Khả năng tán đinh rỗng mm | 2-12 |
| Khoảng cách giữa đầu tán và bàn máy mm | 125-225 |
| Chiều sâu họng máy mm | 125 |
| Công suất động cơ 1 Pha | 1 Hp 3 pha |
| Mức tiêu thụ khí trung bình trong 1 lần tán | 6.8 NL (5kgf / cm2) |
| Đồng hồ đo áp suất (kgf / cm2 | 2 – 7 |
| Điều khiển thời gian ( Giây) | 0.5 – 6 |
| Kích thước bàn làm việc LxW (mm) | 342×182 |
| Kích thước máy LxWxH (mm) | 600x400x1200 |
| Trọng lượng máy N.W.(kgs) | 174 |
| Kích thước đóng kiện gỗ LxWxH (mm) | 690x490x1360 |
| Trọng lượng đóng kiện gỗ G.W. (kgs) | 210 |


Tính năng LF-158:
- Thân máy làm bằng thép nguyên tấm, kết cấu chắc chắn, nếu độ sâu của họng chưa đủ sâu có thể cơi nới thêm
- Khả năng tán đinh mạnh mẽ, phù hợp sử dụng trên các dây chuyền sản xuất hàng loạt
- Sử dụng điện 3 pha
- Tối đa Khả năng tán đinh lên đến đinh tán ø7 mm,
Thiết bị LF-158:

Đại diện cung cấp Chang Lian Fa tại Việt Nam
Nếu bạn muốn tìm mua Máy Tán Rive Khí Nén. Hãy liên hệ ngay với chúng tôi để được tư vấn. Hỗ trợ mua hàng và giao hàng trên toàn quốc. Thataco rất hân hạnh được phục vụ quý khách.
0/5
(0 Reviews)
5/5
(2 Reviews)
Category: Máy Tán Rive Chang Lian Fa
Tag: Máy Khoan Taro Tán Đinh





